Профиль SL-LINIA49M-F-2000 BLACK (Arlight, Алюминий) 036513 в Архангельске
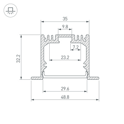
Встраиваемый профиль черного цвета с накладным фланцем из алюминия для основной и контурной подсветки помещений. Габаритные размеры профиля составляют 2000 мм в длину, 49 мм в ширину и 32 мм в высоту, паз для установки 35 мм. Площадка для установки светодиодных лент позволяет использовать одну ленту шириной от 17 до 23 мм и мощностью до 39,4 Вт/м или две ленты шириной до 7 мм и мощностью 19,7 Вт/м каждая. Это обеспечивает гибкость в выборе светодиодных лент и создает потрясающие световые решения. Экраны, заглушки и другие аксессуары не включены в комплект и приобретаются отдельно. Цена указана за 1 метр профиля. Отличное решение для создания современных световых проектов.
Алюминиевый профиль для светодиодных лент и линеек. Цвет - черный RAL9005 (порошковая окраска). Габаритные размеры (L×W×H): 2000x49x32 мм, паз для установки 35 мм. Ширина площадки для ленты 23 мм. Экраны, заглушки и другие аксессуары приобретаются отдельно. Цена за 1 метр.
036513 Arlight Профиль Встраиваемый с накладным фланцем С фланцем Чёрный в Архангельске
Вы можете заказать Профиль Arlight с доставкой или самовывозом в Архангельске
просто достаточно позвонить менеджеру и сообщить артикул товара: 036513 или оформить заказ на сайте Arlight Shop Архангельск
Характеристики
|
Объем м3
|
0.0033 |
|
Гарантия м.
|
36 |
|
Материал корпуса
|
Алюминий |
|
Способ монтажа
|
Встраиваемый с накладным фланцем |
|
Назначение
|
Для прямоугольных светильников |
|
Форма (сечение)
|
С фланцем |
|
Цвет покрытия
|
Чёрный |
|
Тип товара
|
Профиль |
|
Гарантийный срок
|
3 год(а) |
|
Модельный ряд
|
SL-LINIA |
|
КПД профиля (cветовой)
|
54 % |
|
Рассеиваемая тепловая мощность на 1м
|
max: 39.4 W |
|
Ширина световой линии
|
29.6 мм |
|
Внешний вид поверхности
|
Матовая |
|
Покрытие поверхности
|
Порошковая окраска |
|
Длина
|
2000 мм |
|
Ширина
|
48.8 мм |
|
Высота
|
32.2 мм |
|
Ширина площадки
|
23.2 мм |
|
Глубина установки источника света
|
23.54 мм |
|
Кратность цены за 1 м/шт
|
1 |
|
Мощность (прайс)
|
39.4 Вт |





